股票代码:688659
首页
走进球速体育
企业简介
>
企业文化
>
企业荣誉
>
产品与服务
脱硝催化剂
>
除尘滤袋
>
业绩案例
>
钢铁智能化控制系统
>
创新发展
研究院简介
>
行业前沿
>
资讯中心
球速体育动态
>
行业动态
>
媒体报道
>
企业党建
球速体育党建
>
党建学习
>
党建动态
>
投资者关系
联系球速体育
加入球速体育
>
联系球速体育
>
|
股票代码:688659
中文
EN
CN
400-833-2666
EN
资讯中心
业内19年专业锤炼、促进环保行业新业态融合
球速体育动态
行业动态
媒体报道
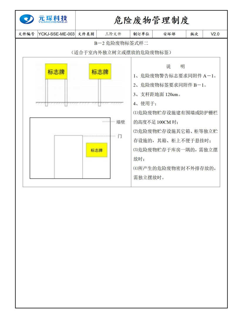
危险废物管理制度
发布日期:2024-07-02 浏览次数:712
返回列表
上一篇:土壤污染隐患排查制度
下一篇:环保管理制度汇编